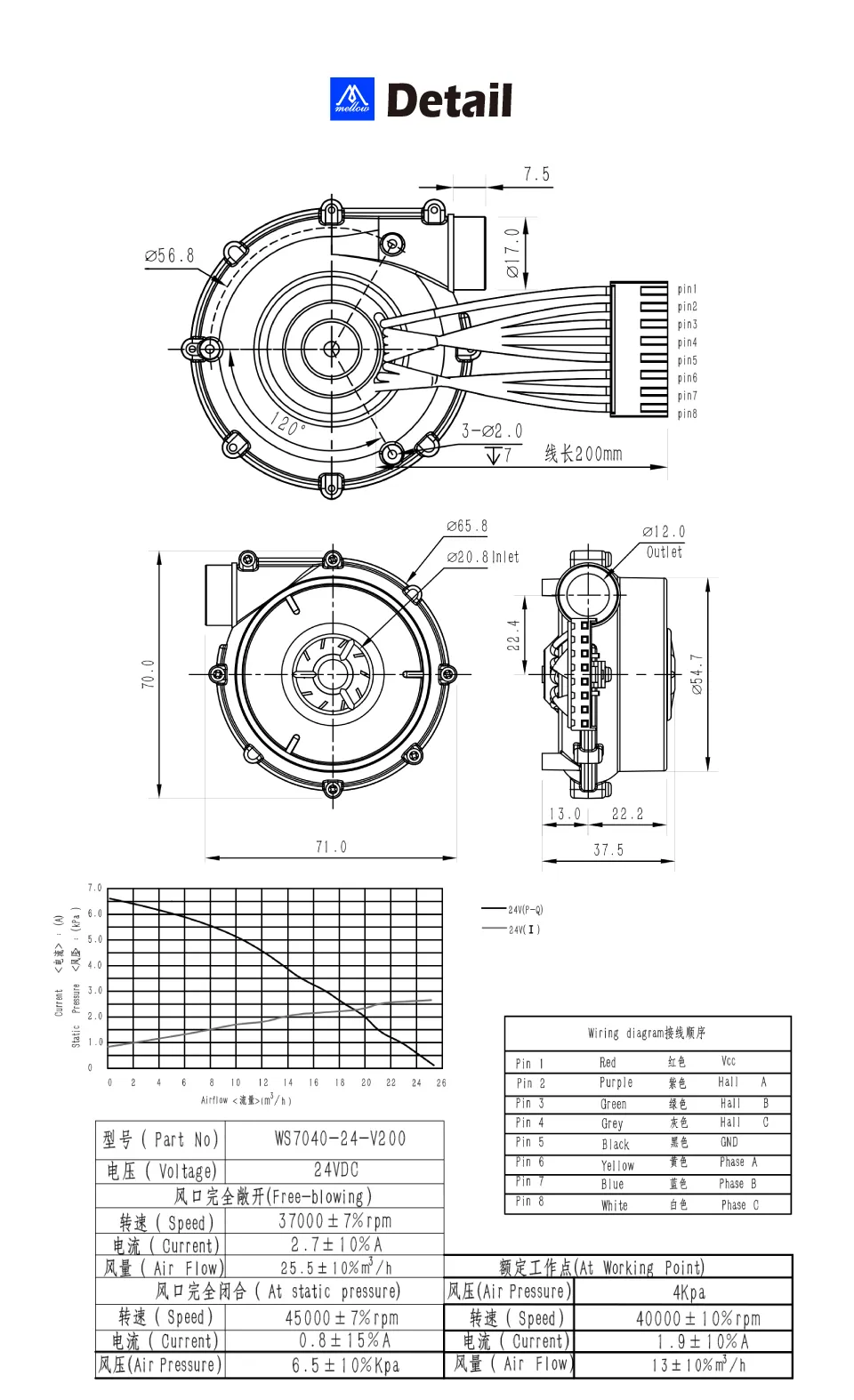
WS 7040


Product Features
- Maximum speed: 45000
- Maximum flow rate: 14.7CFM
- Optional accessories: intake filter, reduces operating noise, prevents foreign objects from entering the fan and damaging the blades, making the kit run quieter and more smoothly
Product Specifications

Precautions
Precautions
- Please note that the fan port needs to avoid foreign objects entering and damaging the blades.
- Please note that the maximum input power for the fan is 24V.