본문으로 건너뛰기

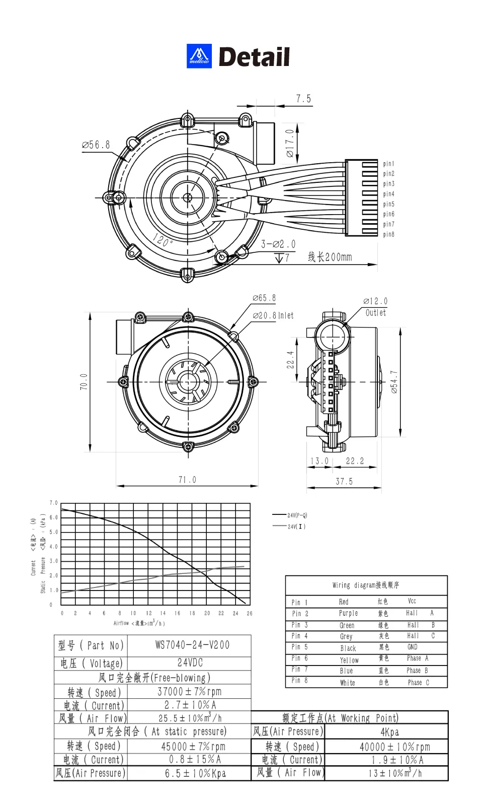
WS 7040

제품 특징

  • 최대 회전 속도: 45000
  • 최대 유량: 14.7CFM
  • 선택 가능한 액세서리: 공기 필터, 작동 소음을 줄이고 외부 물질이 팬 블레이드에 들어가서 손상되는 것을 방지하여 키트가 더 조용하고 안정적으로 작동하게 합니다.

제품 사양

주의사항

주의사항
  • 팬 입구에 이물질이 들어가 팬 블레이드가 손상되지 않도록 주의하십시오.
  • 팬의 최대 입력 전원은 24V입니다.