メインコンテンツまでスキップ

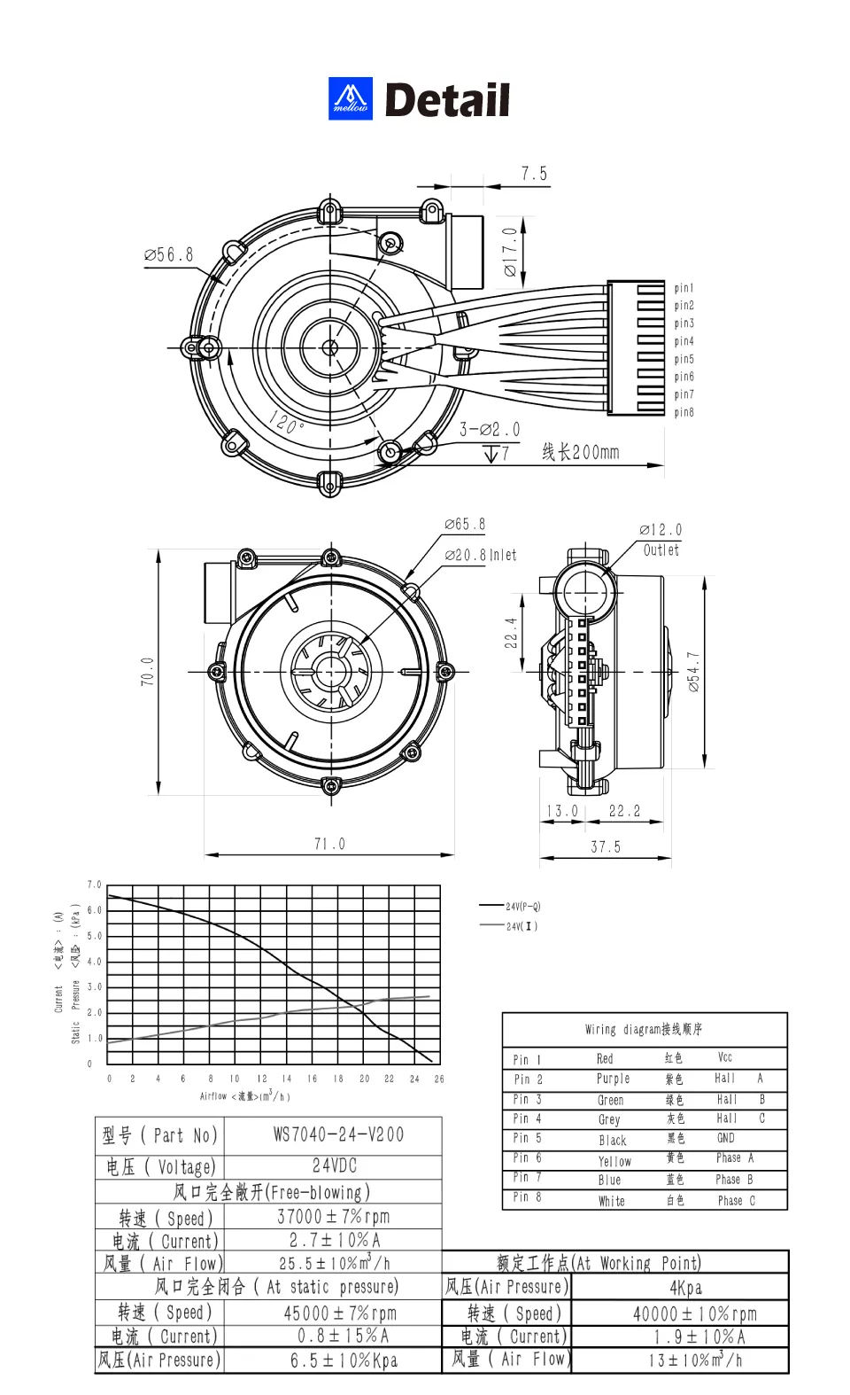
WS 7040

製品の特徴

  • 最大回転速度:45000
  • 最大流量:14.7CFM
  • オプションのアクセサリー:エアフィルター、動作音を低減し、異物の侵入によるファンの破損を防ぎ、製品の動作をより静かに安定させる

製品仕様

注意事項

注意事項
  • 風扇の口に異物が入らないように注意してください。ファンが損傷する原因となります
  • 風扇の最大入力電源は24Vであることに注意してください