Introduction
- Modular design, supports various core boards with DSI and HDMI
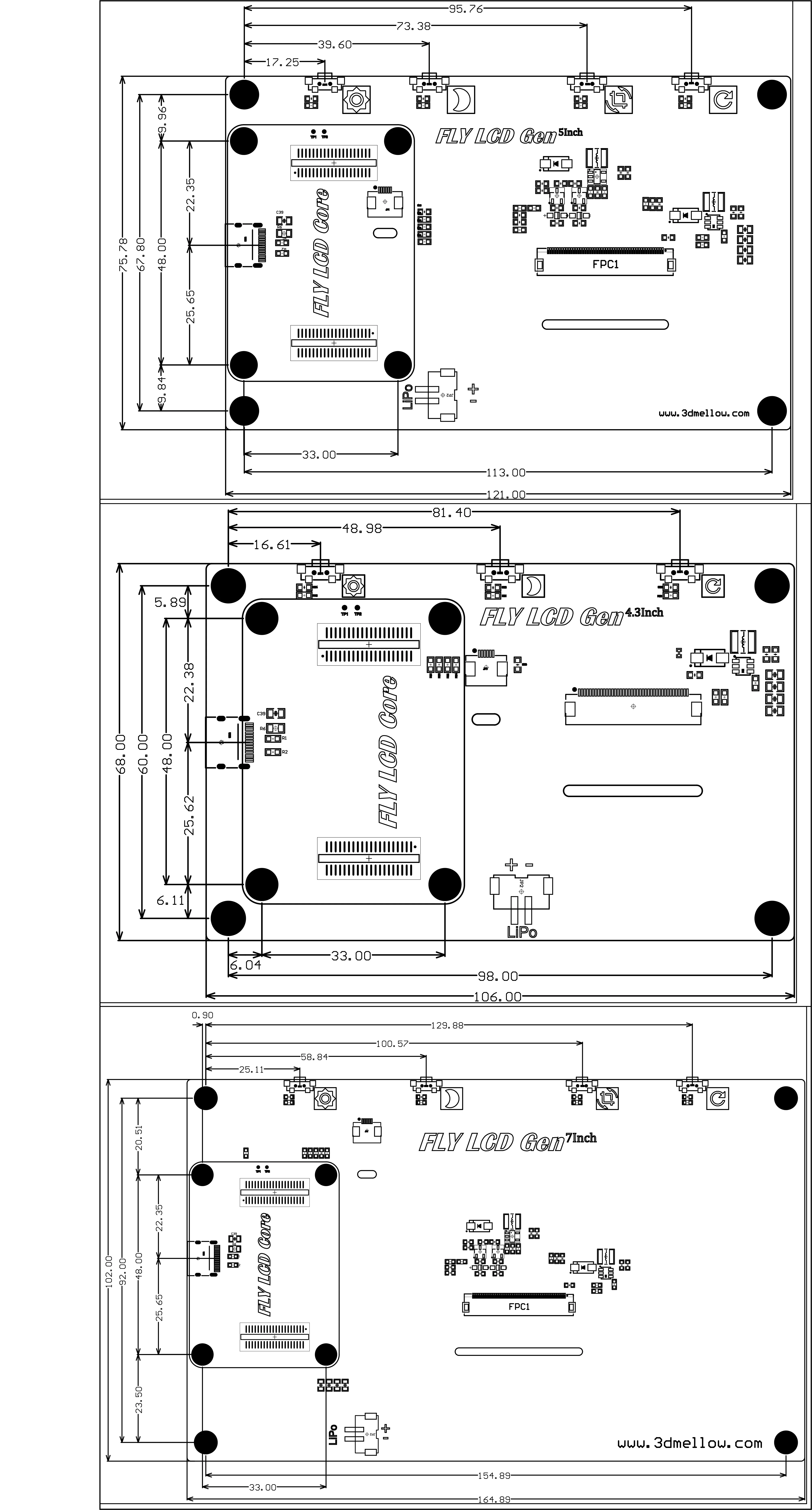
- Multiple sizes, 4.3 inches, 4 inches, 7 inches
- High-definition resolution, not missing any detail
- Supports 10 levels of brightness adjustment
- Supports 180° screen rotation
Notice
The 7-inch screen is only compatible with the HDMI core board and cannot be selected. The DSI core board can be normally controlled.
Product Dimensions

