Introduction
- Conception modulaire, supporte plusieurs cartes principales DSI et HDMI
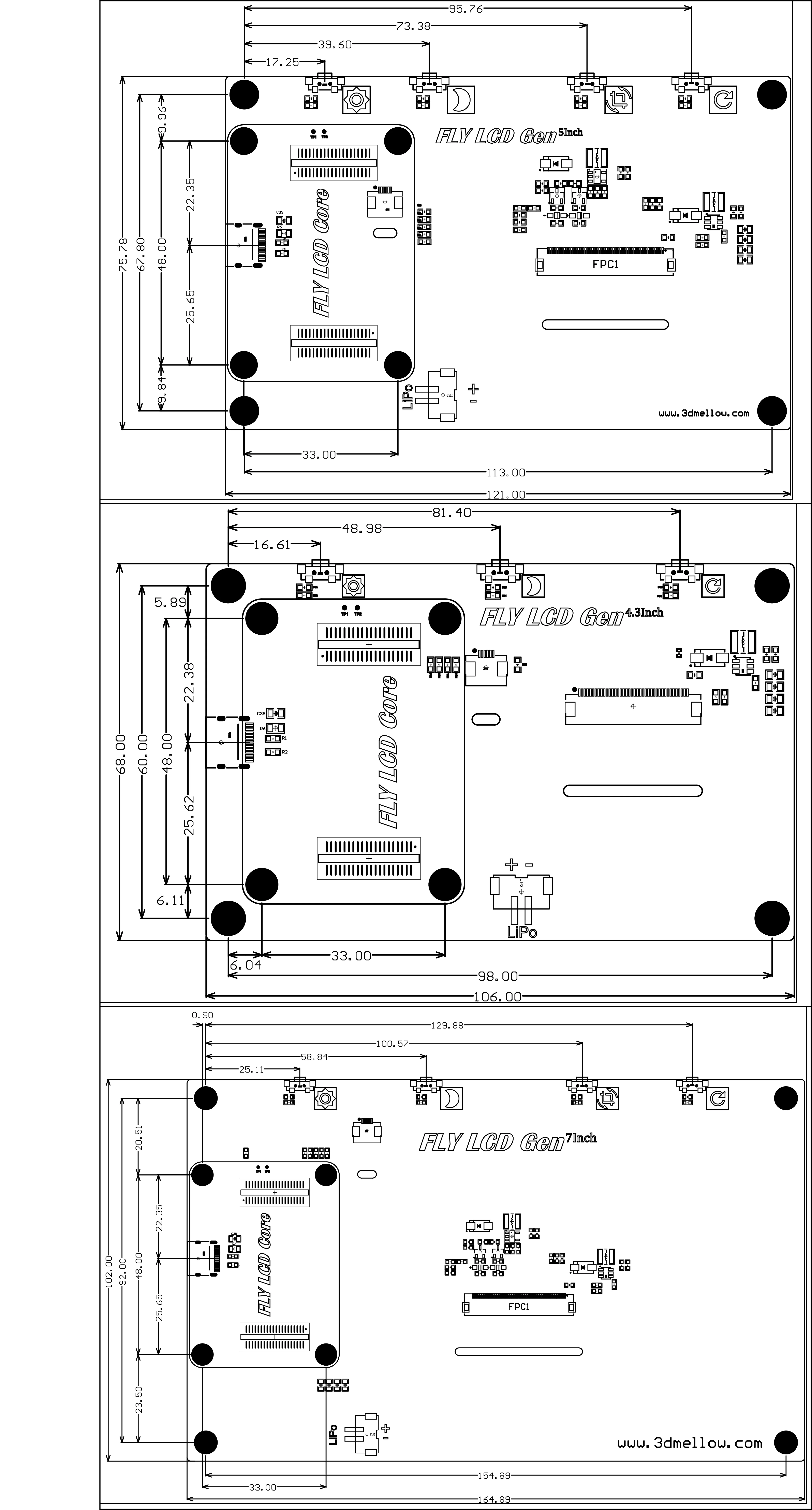
- Diverses tailles, 4,3 pouces, 4 pouces, 7 pouces
- Haute résolution, ne manquez aucun détail
- Supporte le réglage de la luminosité sur 10 niveaux
- Supporte la rotation de l'écran à 180°
Points d'attention
L'écran de 7 pouces n'est pas disponible pour les cartes principales HDMI, les cartes principales DSI fonctionnent normalement
Dimensions du produit

