Введение
- Раздельный дизайн, поддержка различных базовых плат DSI и HDMI
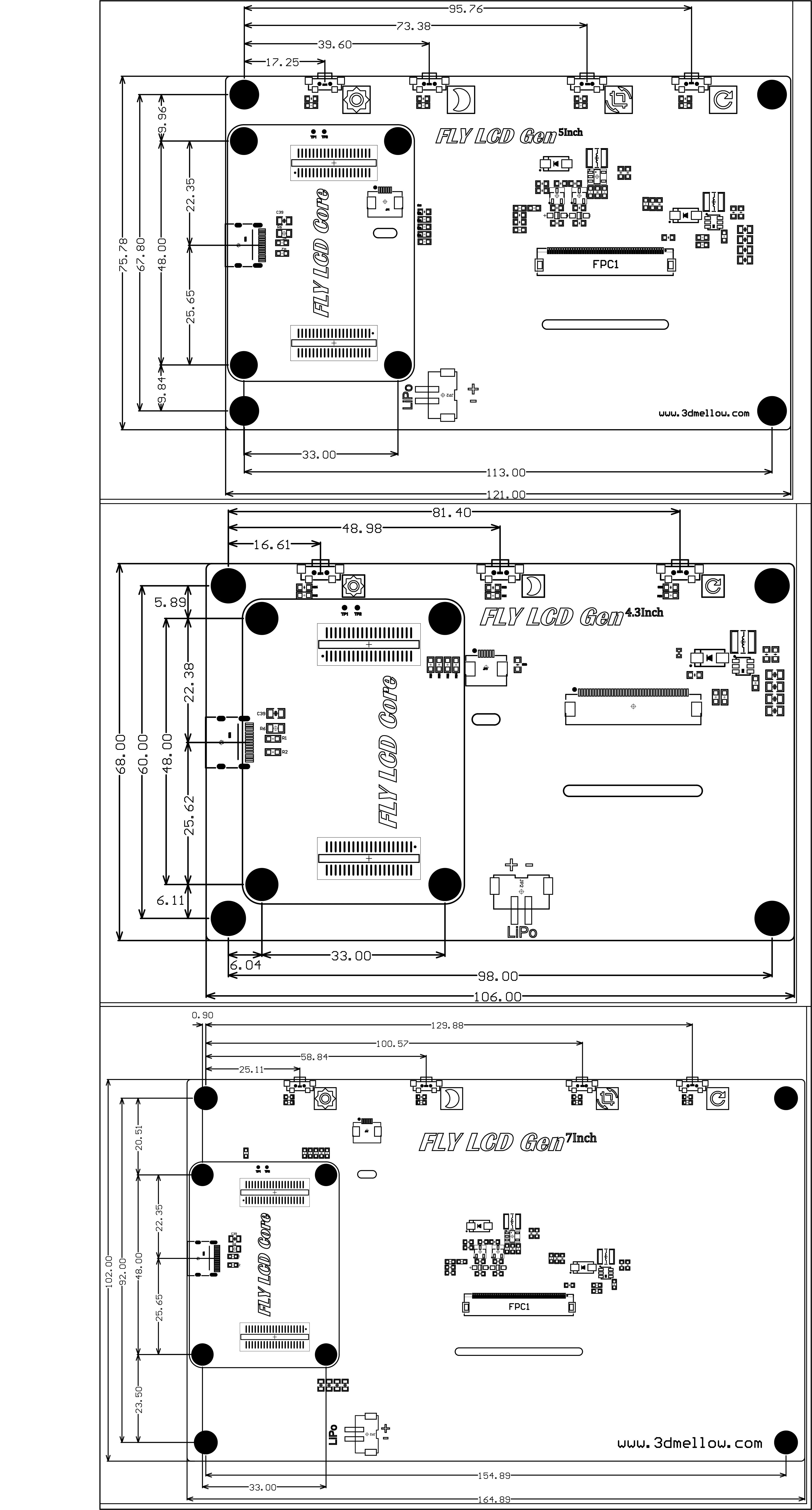
- Различные размеры: 4.3 дюйма, 4 дюйма, 7 дюймов
- Высокое разрешение, не упустите ни одной детали
- Поддержка регулировки яркости на 10 уровнях
- Поддержка поворота экрана на 180°
Внимание
Семидюймовый экран не может быть выбран с базовой платой HDMI, DSI базовая плата нормально управляет
Размеры продукта

