メインコンテンツまでスキップ

紹介

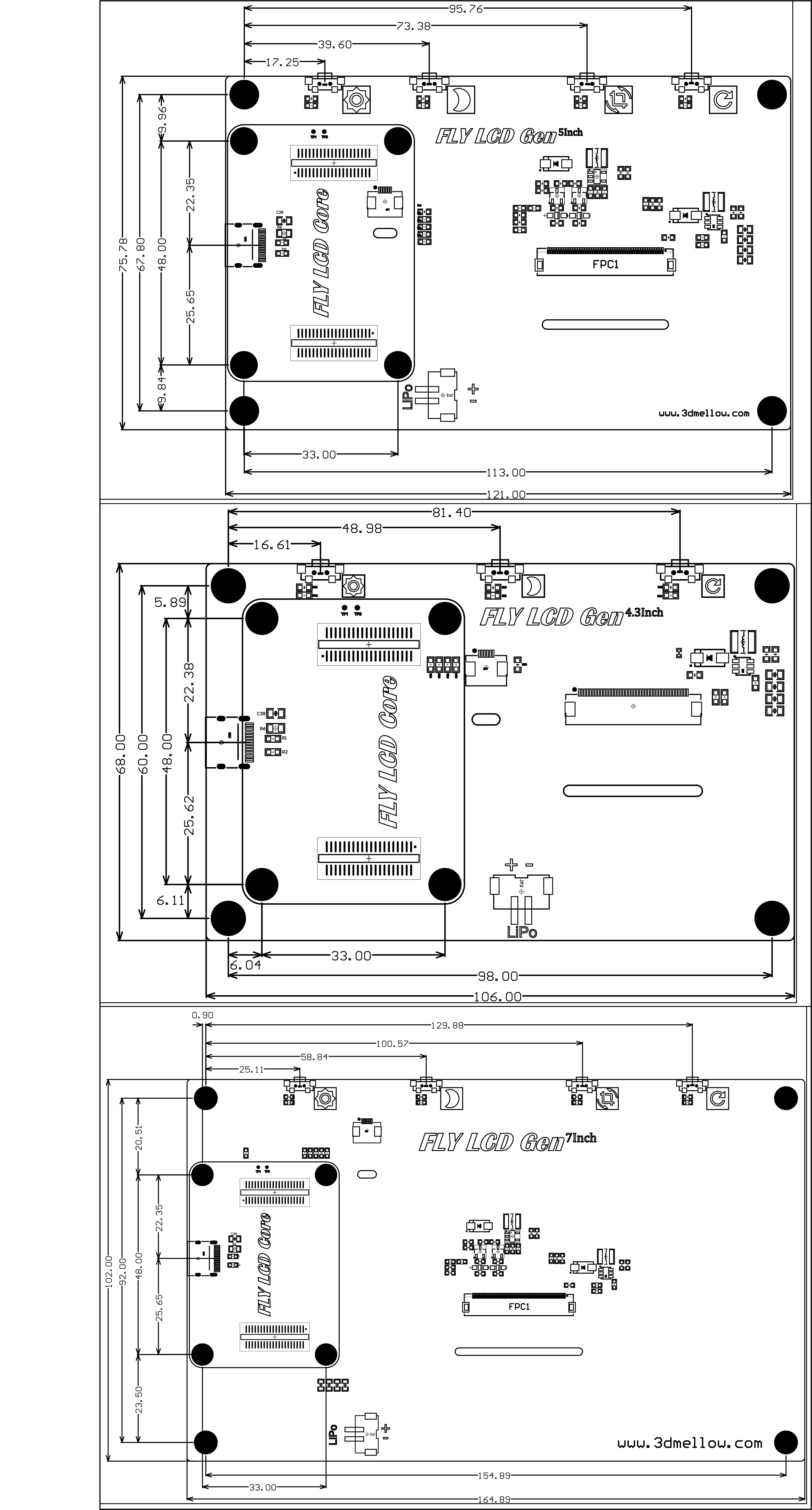
  • 分離型デザイン、多種のDSIとHDMIのメイン基板に対応
  • 多種のサイズ、4.3インチ、4インチ、7インチ
  • 高解像度、どんな細部も見逃さない
  • 10段階の明るさ調整に対応
  • 180°の画面反転に対応
注意事項

7インチの画面はHDMIメイン基板が選択できません、DSIメイン基板は正常に制御可能

製品サイズ